YWZ3B系列电力液压鼓式制动器
LINRUI BRAKE
发布时间:2023-06-15
产品介绍:应用:YWZ3B系列电力液压鼓式制动器,广泛应用于有防爆要求的各种起重运输、皮带运输、港口装卸、冶金及建筑机械中各种机构的减速和停车(维持)制动。符合标准:YWZ3B系列电力液压鼓式制动器的连接尺寸和制动力矩参数符合GB6333-86标准,技术要求符合JB / T6406-2006标准, 本系列取代原YWZ3系列制动器。主要特点:▲ 出产配备卡式制动瓦,更换十分方便、快捷;▲ 主要摆动铰点均设有自润滑轴承,传动效率高,寿命长,使用中无需润滑;▲ 采用YT1系列电力液压推动器推动器;▲ 常闭式设计,(断电)弹簧制动,(通电)推动器释放。工作条件:◆ 海拔高度:<2000m;◆ 环境温度:-20°C〜+ 40°C;◆ 相对湿度:≤90%;◆ 工作制:间歇性(S3-60%)和连续(S1);◆ 电源电压:三相交流,AC380 50Hz (其他电源等级可按需要定制);◆ 有特殊要求时在订货时协商确定。基本参数:● 产品型号:YWZ3B-160、YWZ3B-200、YWZ3B-250、YWZ3B-315、YWZ3B-400、YWZ3B-500、YWZ3B-630、YWZ3B-710、YWZ3B-800● 适用轮径:160~800mm● 制动力矩:80~12000Nm
按需定制
多种规格
质量保障
终身维修
24小时服务热线
0391-7543530
YWZ3B系列电力液压鼓式制动器,广泛应用于有防爆要求的各种起重运输、皮带运输、港口装卸、冶金及建筑机械中各种机构的减速和停车(维持)制动。
YWZ3B系列电力液压鼓式制动器的连接尺寸和制动力矩参数符合GB6333-86标准,技术要求符合JB / T6406-2006标准, 本系列取代原YWZ3系列制动器。
▲ 出产配备卡式制动瓦,更换十分方便、快捷;
▲ 主要摆动铰点均设有自润滑轴承,传动效率高,寿命长,使用中无需润滑;
▲ 采用YT1系列电力液压推动器推动器;
▲ 常闭式设计,(断电)弹簧制动,(通电)推动器释放。
◆ 海拔高度:<2000m;
◆ 环境温度:-20°C〜+ 40°C;
◆ 相对湿度:≤90%;
◆ 工作制:间歇性(S3-60%)和连续(S1);
◆ 电源电压:三相交流,AC380 50Hz (其他电源等级可按需要定制);
◆ 有特殊要求时在订货时协商确定。
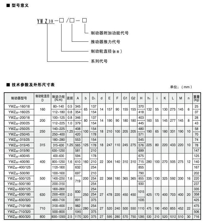
● 产品型号:YWZ3B-160、YWZ3B-200、YWZ3B-250、YWZ3B-315、YWZ3B-400、YWZ3B-500、YWZ3B-630、YWZ3B-710、YWZ3B-800
● 适用轮径:160~800mm
● 制动力矩:80~12000Nm


研发实力
凭借技术和研发实力,我们将持续不断地用更高的产品性能和质量,更快的市场反应速度,更强的成本控制能力。
品种齐全
经多年的不懈努力,,和不断的创新,在常规通用型产品的生产至新产品的研制,产品的品种至今以超过千余种。
设备完善
公司强化生产力先后投入几千万元增加了各种配套设备生产线,提升质量和增加产量。
服务团队
公司始终以“勤、诚、信”的企业文化精神,赢得社会广大客户的支持和信任,在各界广业树立了良好形象。
0391-7543530
手机站